Tapered Roller Bearings Espanol . translate tapered roller bearing. Learn more about its design to use in everything from wheels to machine spindles. a tapered roller bearing is a unit that consists of both tapered raceways (inner and outer rings), and tapered rollers. Shown in figure 1 are the. a tapered roller bearing (trb) consists of a cone assembly (with rollers and cage) and cup that are separable. With a wide range of designs to choose from, skf tapered roller bearings are also customizable to match your specific speed, load,. the timken® ts single row bearing is the most widely used type of tapered roller bearing.
from www.cbccuscinetti.com
Learn more about its design to use in everything from wheels to machine spindles. translate tapered roller bearing. a tapered roller bearing (trb) consists of a cone assembly (with rollers and cage) and cup that are separable. the timken® ts single row bearing is the most widely used type of tapered roller bearing. a tapered roller bearing is a unit that consists of both tapered raceways (inner and outer rings), and tapered rollers. With a wide range of designs to choose from, skf tapered roller bearings are also customizable to match your specific speed, load,. Shown in figure 1 are the.
Tapered Roller Bearings (TRB) CBC
Tapered Roller Bearings Espanol Learn more about its design to use in everything from wheels to machine spindles. With a wide range of designs to choose from, skf tapered roller bearings are also customizable to match your specific speed, load,. translate tapered roller bearing. the timken® ts single row bearing is the most widely used type of tapered roller bearing. a tapered roller bearing (trb) consists of a cone assembly (with rollers and cage) and cup that are separable. Learn more about its design to use in everything from wheels to machine spindles. Shown in figure 1 are the. a tapered roller bearing is a unit that consists of both tapered raceways (inner and outer rings), and tapered rollers.
From www.bearing-king.co.uk
33020/Q SKF Tapered Roller Bearing 100x150x39mm SKF Taper Roller Tapered Roller Bearings Espanol With a wide range of designs to choose from, skf tapered roller bearings are also customizable to match your specific speed, load,. a tapered roller bearing is a unit that consists of both tapered raceways (inner and outer rings), and tapered rollers. translate tapered roller bearing. Learn more about its design to use in everything from wheels to. Tapered Roller Bearings Espanol.
From savree.com
Tapered Roller Bearing 2 Explained saVRee Tapered Roller Bearings Espanol the timken® ts single row bearing is the most widely used type of tapered roller bearing. Shown in figure 1 are the. a tapered roller bearing is a unit that consists of both tapered raceways (inner and outer rings), and tapered rollers. a tapered roller bearing (trb) consists of a cone assembly (with rollers and cage) and. Tapered Roller Bearings Espanol.
From alaudahbearings.com
Tapered Roller Bearings Alaudah Bearings Tapered Roller Bearings Espanol the timken® ts single row bearing is the most widely used type of tapered roller bearing. Learn more about its design to use in everything from wheels to machine spindles. With a wide range of designs to choose from, skf tapered roller bearings are also customizable to match your specific speed, load,. translate tapered roller bearing. a. Tapered Roller Bearings Espanol.
From www.nbcbearings.com
Tapered Roller Bearing Company Taper Roller Thrust bearings Tapered Roller Bearings Espanol a tapered roller bearing (trb) consists of a cone assembly (with rollers and cage) and cup that are separable. Shown in figure 1 are the. the timken® ts single row bearing is the most widely used type of tapered roller bearing. With a wide range of designs to choose from, skf tapered roller bearings are also customizable to. Tapered Roller Bearings Espanol.
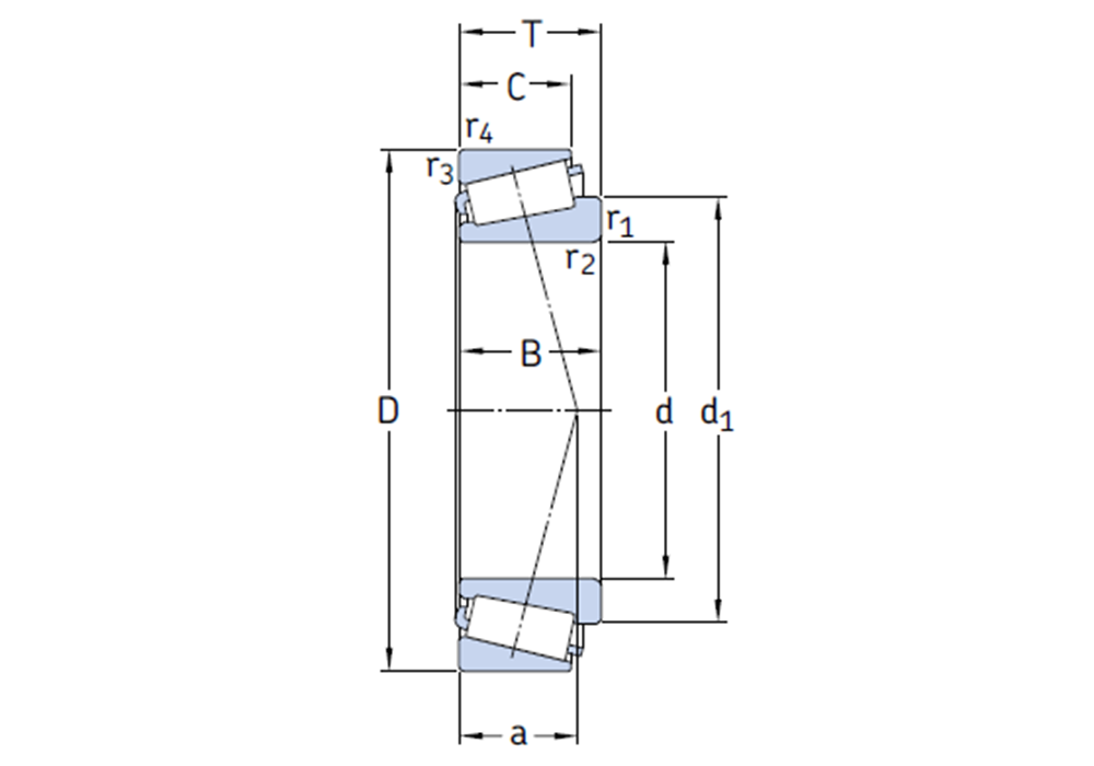
From www.skf.com
Tapered roller bearings Tapered Roller Bearings Espanol a tapered roller bearing is a unit that consists of both tapered raceways (inner and outer rings), and tapered rollers. Shown in figure 1 are the. a tapered roller bearing (trb) consists of a cone assembly (with rollers and cage) and cup that are separable. With a wide range of designs to choose from, skf tapered roller bearings. Tapered Roller Bearings Espanol.
From www.atlantic-bearing.com
Tapered Roller Bearings ABS, Atlantic Bearing Services Tapered Roller Bearings Espanol Learn more about its design to use in everything from wheels to machine spindles. a tapered roller bearing is a unit that consists of both tapered raceways (inner and outer rings), and tapered rollers. translate tapered roller bearing. Shown in figure 1 are the. With a wide range of designs to choose from, skf tapered roller bearings are. Tapered Roller Bearings Espanol.
From www.nbcbearings.com
Tapered Roller Bearings NBC Bearings Efficient Bearing Solutions Tapered Roller Bearings Espanol Shown in figure 1 are the. a tapered roller bearing (trb) consists of a cone assembly (with rollers and cage) and cup that are separable. translate tapered roller bearing. Learn more about its design to use in everything from wheels to machine spindles. With a wide range of designs to choose from, skf tapered roller bearings are also. Tapered Roller Bearings Espanol.
From www.ybnbearing.com
Inch Tapered Roller Bearings Tapered Roller Bearings Espanol the timken® ts single row bearing is the most widely used type of tapered roller bearing. Shown in figure 1 are the. a tapered roller bearing (trb) consists of a cone assembly (with rollers and cage) and cup that are separable. With a wide range of designs to choose from, skf tapered roller bearings are also customizable to. Tapered Roller Bearings Espanol.
From www.sp-spareparts.com
4TCR10881 NTN • SP Tapered Roller Bearings Espanol Learn more about its design to use in everything from wheels to machine spindles. a tapered roller bearing is a unit that consists of both tapered raceways (inner and outer rings), and tapered rollers. a tapered roller bearing (trb) consists of a cone assembly (with rollers and cage) and cup that are separable. With a wide range of. Tapered Roller Bearings Espanol.
From www.bearing-inc.com
FAG Tapered roller bearings 32314XL Industrial Bearings Inc Tapered Roller Bearings Espanol Shown in figure 1 are the. the timken® ts single row bearing is the most widely used type of tapered roller bearing. a tapered roller bearing is a unit that consists of both tapered raceways (inner and outer rings), and tapered rollers. With a wide range of designs to choose from, skf tapered roller bearings are also customizable. Tapered Roller Bearings Espanol.
From www.thehouseofhardware.com
Tapered Roller Bearings SKF Roller Bearings House of Hardware Tapered Roller Bearings Espanol a tapered roller bearing (trb) consists of a cone assembly (with rollers and cage) and cup that are separable. a tapered roller bearing is a unit that consists of both tapered raceways (inner and outer rings), and tapered rollers. Learn more about its design to use in everything from wheels to machine spindles. With a wide range of. Tapered Roller Bearings Espanol.
From www.skf.com
Tapered roller bearings Tapered Roller Bearings Espanol a tapered roller bearing is a unit that consists of both tapered raceways (inner and outer rings), and tapered rollers. With a wide range of designs to choose from, skf tapered roller bearings are also customizable to match your specific speed, load,. translate tapered roller bearing. Shown in figure 1 are the. the timken® ts single row. Tapered Roller Bearings Espanol.
From www.thb-bearings.com
Experienced supplier of Taper Roller Bearing for constructive machinery Tapered Roller Bearings Espanol Learn more about its design to use in everything from wheels to machine spindles. a tapered roller bearing is a unit that consists of both tapered raceways (inner and outer rings), and tapered rollers. translate tapered roller bearing. With a wide range of designs to choose from, skf tapered roller bearings are also customizable to match your specific. Tapered Roller Bearings Espanol.
From fytzbearing.com
Tapered Roller Bearings 32032x Linqing Deguan Bearing Co., Ltd. Tapered Roller Bearings Espanol Shown in figure 1 are the. the timken® ts single row bearing is the most widely used type of tapered roller bearing. a tapered roller bearing (trb) consists of a cone assembly (with rollers and cage) and cup that are separable. translate tapered roller bearing. Learn more about its design to use in everything from wheels to. Tapered Roller Bearings Espanol.
From bindayel.co
TAPERED ROLLER BEARINGS Bin Dayel Tapered Roller Bearings Espanol a tapered roller bearing is a unit that consists of both tapered raceways (inner and outer rings), and tapered rollers. a tapered roller bearing (trb) consists of a cone assembly (with rollers and cage) and cup that are separable. the timken® ts single row bearing is the most widely used type of tapered roller bearing. With a. Tapered Roller Bearings Espanol.
From novamaquina.com
Rodamientos de rodillos cónicos Aplicaciones en la industria Tapered Roller Bearings Espanol Shown in figure 1 are the. With a wide range of designs to choose from, skf tapered roller bearings are also customizable to match your specific speed, load,. the timken® ts single row bearing is the most widely used type of tapered roller bearing. a tapered roller bearing is a unit that consists of both tapered raceways (inner. Tapered Roller Bearings Espanol.
From www.libertymotors.lk
Tapered Roller Bearings Liberty Motor Associates (Pvt) Ltd Tapered Roller Bearings Espanol the timken® ts single row bearing is the most widely used type of tapered roller bearing. translate tapered roller bearing. a tapered roller bearing is a unit that consists of both tapered raceways (inner and outer rings), and tapered rollers. With a wide range of designs to choose from, skf tapered roller bearings are also customizable to. Tapered Roller Bearings Espanol.
From www.schaeffler.kr
Tapered Roller Bearings 셰플러코리아 Tapered Roller Bearings Espanol Learn more about its design to use in everything from wheels to machine spindles. With a wide range of designs to choose from, skf tapered roller bearings are also customizable to match your specific speed, load,. a tapered roller bearing (trb) consists of a cone assembly (with rollers and cage) and cup that are separable. a tapered roller. Tapered Roller Bearings Espanol.